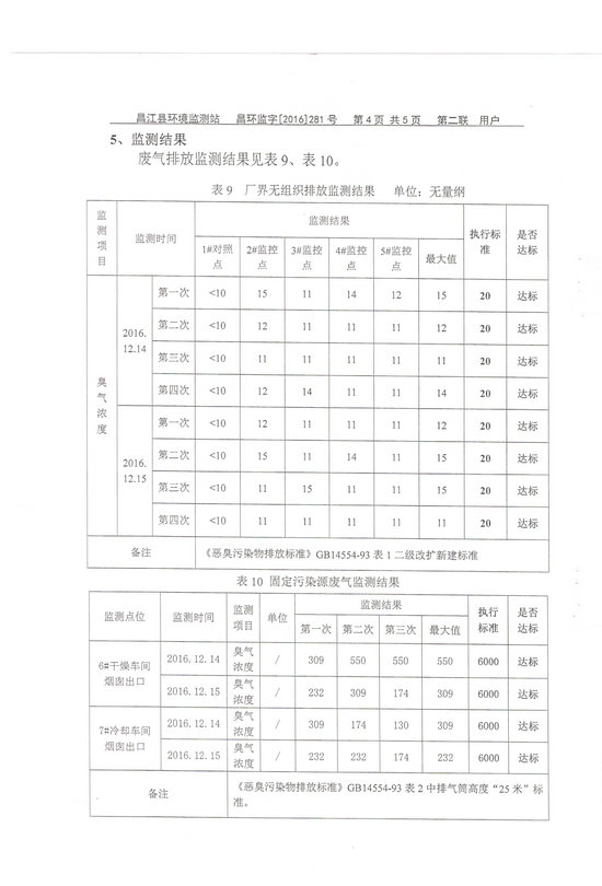
海南天然橡膠產業集團金竹橡膠加工分公司東紅橡膠廠環境監測報告 時間:2017-01-09 來源:海南天然橡膠產業集團股份有限公司 Date:2017-01-09 Source:海南天然橡膠產業集團股份有限公司 上一篇:海南天然橡膠產業集團股份有限公司視頻會議系統建設項目中標公示 下一篇:財富廣場高檔裝修寫字樓招租 Previous:海南天然橡膠產業集團股份有限公司視頻會議系統建設項目中標公示 Next:財富廣場高檔裝修寫字樓招租